Skip to content
Spend $125 to get free shipping in the United States.
SKU: WIC-FRX1021008

Wichard FRX10 Friction Ring - 10mm (25/64")

Sale price $16.95 Regular price $21.05
On Sale

Shipping calculated at checkout

Low stock

FRX10 Friction Ring - 10mm (25/64")

Features:

  • Efficient and light
  • FRX Wichard thimbles are efficient, light, and reliable
  • Very strong and can be used for heavy loads and semi-static lines
  • FRX thimbles are designed to make your lines run smoothly with minimum wear
  • They are hard anodized (50 microns) for a longer lifespan

Applications:

  • Mast-foot block, barber-hauler, inhauler, loop, thimble, lazy jack, running backstay, tackle, and more

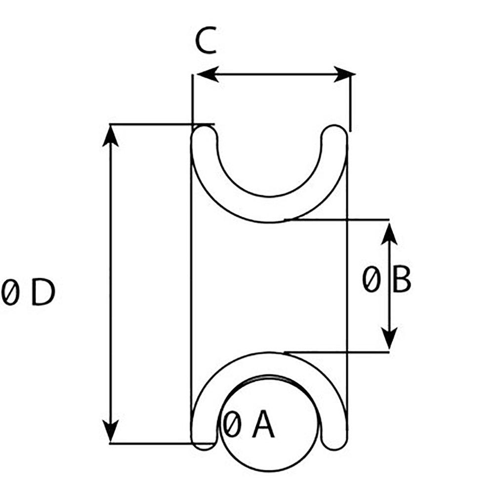
Specifications:

  • Materials: Anodized aluminium
  • Working load: (lb) 1760 / (kg) 800
  • Weight: (lb) 0.011/ (g) 5
  • A: (inch) 5/16" / (mm) 8
  • B: (inch) 25/64" / (mm) 10
  • C: (inch) 15/32" / (mm) 12
  • D diameter: (inch) 63/64" / (mm) 25

Caption:

  • Working Load (WL): For nautical applications
  • Working Load Limit (WLL): For industrial applications only. The safety factor is 5 times the breaking load. WLL = Breaking load / 5

*Sold as an Individual


Quick Guide (pdf)
Back to top